浸出设备



产品概要
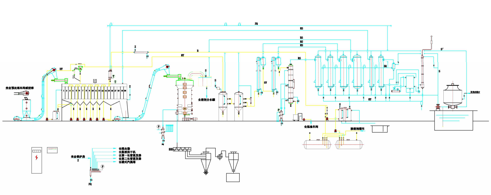
成套浸出设备主要由浸出器、蒸脱机、蒸发器、汽提塔、冷凝器等设备组成。利用有机溶剂的萃取原理,经过对油料料胚(大豆)或预榨饼(菜籽、棉籽、葵花籽、花生、米糠、芝麻、茶籽、椰子等)的接触、浸泡或喷淋,使油料中油脂被萃取出来。本工艺采用不锈钢固定栅底平转浸出器或环行浸出器,不锈钢列管冷凝器、铝合金列管冷凝器或板式冷凝器、尾气冷冻回收装置,工艺先进,性能优良。
浸出生产线工艺流程

浸出生产线工艺流程说明
从榨油车间送来的饼块由进料刮板输送机送入浸出器料封绞龙,进入浸出器,物料在浸出器中由进料口到出料口环行一周,经浓度递减的混合油喷淋、浸泡后,最后用新鲜溶剂喷淋,经过一段滴干区沥干,被连续地送出浸出器进入湿粕刮板。最浓的混合油由浓混合油泵打入旋液分离器除杂后进入混合油罐暂存。
浸出器内含溶湿粕由湿粕刮板经料封绞龙送入蒸烘机的预脱层,底部用间接蒸汽加热,脱去粕中的部分溶剂;经预脱后的湿粕进入蒸脱层,蒸脱层经自动控制保持一定的料层高度,底部通入直接蒸汽,脱去全部溶剂,然后进入冷却层以降低粕温,成品粕送至粕库。
混合油由一蒸喂料泵从混合油罐打入第一长管蒸发器管程,在经过一蒸闪发箱分离后的浓缩混合油进入第二长管蒸发器蒸发。第一、二蒸发器的溶剂汽体进入蒸发冷凝器,二蒸闪发箱出的混合油部份由汽提塔喂料泵经加热器打入汽提塔顶部,混合油加热器的温度由自动控制装置保持。混合油从汽提塔上部进入,沿塔内碟盘逐层流下,塔底直接蒸汽逆流向上,汽液充分接触脱去油中残留溶剂。塔底部液位由液位控制器确保液封和成品油稳定的流量,毛油由汽提塔底部抽出再经一蒸混合油进行热交换后送入精炼车间。
经冷凝系统冷凝的溶剂进入综合溶剂库分水后循环使用。自浸出器冷凝器、DT冷凝器、分水器、循环溶剂库出来的自由气体均进入空气平衡罐,经最后冷凝器回收溶剂。不凝气体(尾气)经冷冻回收后排入大气。
浸出工艺流程图
